
手機購
更方便
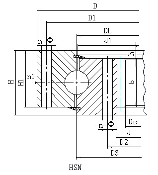
HS系列內齒型-回轉支承
結構特點、性能、適用范圍
單排四點接觸球式回轉支承由兩個座圈組成,結構緊湊、重量輕、鋼球與圓弧滾道四點接觸,能同時承受軸向力、徑向力和傾翻力矩?;剞D式輸送機、焊接操作機、中小型起重機和挖掘機等工程機械均可選用。
回轉支承,是一種能夠承受綜合載荷的大型軸承,可以同時承受較大的軸向、徑向負荷和傾覆力矩?;剞D支承軸承一般帶有安裝孔、內齒輪或外齒輪、潤滑油孔和密封裝置,因而能使主機設計結構緊湊,引導簡便,維護容易。
序號
內齒式
外型尺寸
安裝尺寸
結構尺寸
齒輪參數
齒輪
參考
D
d
H
D1
D2
n
mm
n1
D3
d1
H1
h
b
x
m
De
z
調質
1
HSN.25.625
725
525
80
685
565
18
18
3
626
624
68
12
60
1.4
5
498.8
101
5.2
100
HSN.25.625A
1.15
6
496.7
84
6.2
2
HSN.25.720
820
620
80
780
660
18
18
3
721
719
68
12
60
1.4
6
586.6
99
6.2
120
HSN.25.720A
1
8
582.3
74
8.3
3
HSN.30.820
940
705
95
893
749
24
20
4
821
818
83
12
70
1.4
6
664.5
112
7.2
210
HSN.30.820A
1
10
658
67
12.2
4
HSN.30.880
1000
760
95
956
800
24
20
4
881
878
83
12
70
1.15
8
718.2
91
9.7
230
HSN.30.880A
1
10
707.9
72
12.2
5
HSN.30.1020
1170
875
95
1120
930
24
22
4
1021
1018
80
15
70
1.4
8
830.1
105
9.7
300
HSN.30.1020A
1.15
10
827.8
84
12.2
6
HSN.30.1220
1365
1075
120
1310
1130
36
24
6
1221
1218
105
15
90
1.4
10
1027.8
104
15.7
450
HSN.30.1220A
1
12
1017.3
86
18.8
7
HSN.35.1250
1400
1090
120
1350
1150
36
26
6
1251
1248
105
15
90
-0.35
10
1037
105
15.7
520
HSN.35.1250A
1
12
1028.8
87
18.8
8
HSN.35.1435
1595
1278
120
1535
1335
36
26
6
1436
1433
105
15
90
1.15
12
1221.2
103
18.8
610
HSN.35.1435A
1
14
1214.8
88
21.9
9
HSN.35.1540
1720
1360
140
1660
1420
42
26
6
1541
1538
122
18
110
1.4
12
1293.1
109
23
732
HSN.35.1540A
1.15
14
1284.8
93
26.8
10
HSN.35.1700
1875
1525
140
1815
1585
42
29
6
1701
1698
122
18
110
1.15
14
1452.7
105
26.8
844
HSN.35.1700A
1.15
16
1452.3
92
30.5
11
HSN.40.1880
2100
1665
160
2030
1740
48
32
6
1881
1878
140
20
115
1.4
14
1592.6
115
27.8
1400
HSN.40.1880A
1.15
18
1579.9
89
35.8
12
HSN.40.2115
2325
1900
160
2245
1980
48
32
6
2116
2113
140
20
115
1.4
16
1804.1
114
31.9
1600
HSN.40.2115A
1.15
20
1795.4
91
40
13
HSN.40.2370
2600
2146
180
2520
2220
48
32
6
2371
2368
158
22
130
1.4
18
2065.6
116
40.7
2100
HSN.40.2370A
1.15
22
2040.9
94
49.7
14
HSN.40.2600
2835
2365
180
2750
2450
54
36
6
2601
2598
158
22
130
1.4
18
2263.5
127
37.6
2400
HSN.40.2600A
1.15
22
2260.8
104
45.9
15
HSN.50.2820
3085
2555
200
3000
2640
54
36
6
2822
2818
178
22
150
1.4
20
2455
124
52.2
3400
HSN.50.2820A
1.15
25
2444.1
99
65.3
16
HSN.50.3120
3400
2840
200
3310
2930
54
36
6
3122
3118
178
22
150
1.4
22
2722.5
125
57.4
4000
HSN.50.3120A
1.4
25
2719
110
65.3
17
HSN.50.3580
3920
3240
240
3820
3340
60
40
6
3582
3578
218
22
190
1.4
22
3118.4
143
72.7
6700
HSN.50.3580A
1.4
25
3118.8
126
82.6
18
HSN.50.4030
4370
3690
240
4270
3790
66
40
6
4032
4028
218
22
190
1.4
22
3558.3
163
53.6
7700
HSN.50.4030A
1.4
28
3549
128
68.2
19
HSN.50.4540
4860
4210
240
4760
4310
72
40
6
4542
4538
218
22
190
1.4
22
4042.2
185
72.1
8760
HSN.50.4540A
1.4
30
4042.4
136
99.1
DL
mm
圓周力
重量
kg
mm
mm
mm
mm
mm
mm
mm
mm
mm
mm
mm
mm
mm
T 104N
注:
1、n1為潤滑油孔數,均布:油杯M10×1 JB/T7940.1-TB7940.2.
2、安裝孔n-Φ可改用螺孔;齒寬b可改為H-h。
3、表內齒輪圓周力為最大圓周力,額定圓周力取其1/2。
4、表內變位系數均為外齒式設計。
聯系我們
掃一掃查看更多信息